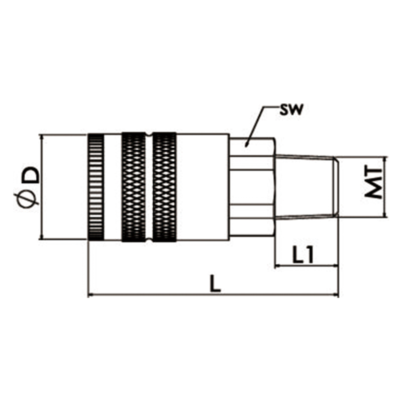
| Tắt một lần, chủ đề ống cơ thể 1/4 " | |||||
| MÃ SỐ | KÍCH CỠ | L | D | L1 | SW |
| B22a | 1/8 " | 45 | 22 | 15.5 | 19 |
| B22 | 1/4 " | 45 | 22 | 15.5 | 19 |
| B22E | 3/8 " | 47 | 22 | 17 | 19 |
Material:
Các khớp nối trao đổi công nghiệp, như một đầu nối sáng tạo, được thiết kế đặc biệt cho các hệ thống truyền không khí trong lĩnh vực công nghiệp. Các khớp nối trao đổi công nghiệp của chúng tôi có nhiều mô hình và kích cỡ khác nhau, cung cấp cho bạn nhiều tùy chọn hơn để đáp ứng nhu cầu của các kích thước đường ống khác nhau và hệ thống chuyển không khí. Bất kể thông số kỹ thuật của hệ thống của bạn là gì, chúng tôi có thể cung cấp cho bạn các giải pháp tùy chỉnh để đảm bảo phù hợp và đảm bảo công việc của bạn diễn ra suôn sẻ. Các đầu nối này không chỉ là các sản phẩm đơn giản, mà còn được thiết kế cẩn thận và làm bằng các vật liệu được chọn. Chúng tôi đã chọn các vật liệu chất lượng, bao gồm thép không gỉ chống ăn mòn và đồng thau có độ bền cao, để đảm bảo độ bền và độ ổn định vượt trội. Cho dù trong môi trường làm việc khắc nghiệt hoặc đối mặt với điều kiện làm việc khắc nghiệt, các đầu nối của chúng tôi có thể hoạt động tốt và duy trì điều kiện làm việc ổn định lâu dài, cung cấp sự bảo vệ đáng tin cậy cho dây chuyền sản xuất của bạn.
Khớp nối trao đổi công nghiệp được sản xuất theo thông số kỹ thuật toàn cầu
Van lưu lượng cao với mức giảm áp suất thấp để thực hiện hiệu quả
Bảo vệ tay áo giúp ngăn chặn sự mất kết nối tình cờ khi sử dụng
Tay áo kẹp có đường kính có toàn bộ hơn để cung cấp hoạt động dễ dàng khi đeo găng tay
Tay áo thủ công, tắt một lần
Nhiệt độ hoạt động: -20 ° C đến 100 ° C (NBR)
Áp lực hoạt động: 20 bar
Khả năng hoán đổi: orthus 23k / Milton M-phong cách / AMFLO loại C
Tham số chi tiết
| Tắt một lần, chủ đề ống cơ thể 1/4 " | |||||
| MÃ SỐ | KÍCH CỠ | L | D | L1 | SW |
| B22a | 1/8 " | 45 | 22 | 15.5 | 19 |
| B22 | 1/4 " | 45 | 22 | 15.5 | 19 |
| B22E | 3/8 " | 47 | 22 | 17 | 19 |
| Tắt một lần, chủ đề ống cơ thể 1/4 " | |||||
| MÃ SỐ | KÍCH CỠ | L | D | L1 | SW |
| B23A | 1/8 " | 49.5 | 22 | 10.5 | 19 |
| B23 | 1/4 " | 49.5 | 22 | 10.5 | 19 |
| B23E | 3/8 " | 50 | 22 | 11 | 19 |
| Tắt một lần, ống tiêu chuẩn 1/4 "theo tiêu chuẩn cơ thể | |||||
| MÃ SỐ | KÍCH CỠ | L | D | L1 | SW |
| B20-3B | 6 mm | 54.5 | 22 | 16 | 19 |
| B20-4B | 8 mm | 56.5 | 22 | 18 | 19 |
| B20-5B | 10 mm | 58.5 | 22 | 20 | 19 |
| Tắt một lần, 1/4 "Body-Lok-Lok Barb | |||||
| MÃ SỐ | KÍCH CỠ | L | D | L1 | SW |
| B20-3BP | 1/4 " | 54.5 | 22 | 16 | 19 |
| B20-4bp | 3/8 " | 58.5 | 22 | 20 | 19 |
Giữ liên lạc
Bạn vào trạm xăng, kiểm tra áp suất lốp bằng máy đo kỹ thuật số đáng tin cậy và thấy 32 PSI. Sau đó, bạn sử dụng ống bơm không khí của trạm và đồng hồ đo của nó ghi 29 PSI. Hoặc tệ hơn, máy bơm báo 35 P...
Đọc thêmRò rỉ không khí vào ống dẫn khí và phụ kiện hệ thống là một vấn đề lớn trong mạng lưới khí nén vì chúng trực tiếp làm giảm hiệu suất hệ thống, tăng mức tiêu thụ năng lượng và ảnh hưởng tiê...
Đọc thêmBảo dưỡng lốp đúng cách là rất quan trọng để lái xe an toàn, tuy nhiên nhiều chủ phương tiện lại bỏ bê việc này. Một trong những công cụ đơn giản và hiệu quả nhất để đảm bảo lốp hoạt động an toàn và ...
Đọc thêm